Applied energy Xpelair WX 6 T ventilátor do stěny

Výrobce: Applied Energy
Sdílet:
Je nám líto, tento produkt momentálně není k dispozici.
  • 1-rychlostní (246 m3/h) axiální ventilátor
  • časový dobeh (2 - 20min.) časový doběh (2 - 20min.)
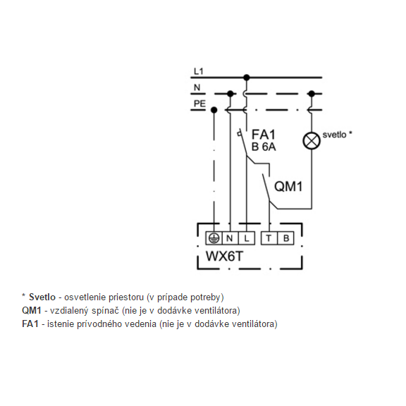
  • ovládaný vzdáleným spínačem ON/OFF (není součástí dodávky) - po vypnutí dobíhá v režimu pevného čas. doběhu
  • elektricky ovládaná klapka
  • venkovní mřížka + montážní spony (součástí dodávky ventilátoru)

 

Nástěnné vysokovýkonné axiální ventilátory řady WX jsou vhodné hlavně pro odvod vzduchu z provozních a užitkových místností. Své uplatnění najdou i ve větších kuchyních, kancelářích, restauracích, dílnách nebo na veřejných toaletách. Ventilátory jsou primárně určeny pro přímý odvod vzduchu přes zeď do vnějšího prostředí bez použití potrubí.

Všechny typy mají lesklý dekorativní bílý povrch. Ventilátor se skládá ze tří částí, což umožňuje snadnou montáž do stěny. Všechny typy jsou vybaveny elektricky ovládanou klapkou. Bezhlučné otevírání a zavírání klapky je zajištěno na principu tepelné roztažnosti (bimetal). V případě požadavku na permanentní nebo nenucené větrání je možné klapku vyblokovat odpojením ovládání.

Součástí dodávky ventilátoru jsou upevňovací listy a venkovní žaluzie. Ventilátory je možné instalovat do plných nebo dutých stěn (zapuštěná montáž) s minimální tloušťkou stěny 150 mm (WX6 a WX9) nebo 190 mm (WX12). Vnitřní a vnější mřížka je v rovině stěny (přesah pro WX6 - 11 mm a WX9/12 - 18 mm). Modely WX9 a WX12 jsou dodávány s dvourychlostními reverzními motory, čímž umožňují jejich použití pro přívod nebo odvod vzduchu bez změny montáže. Otáčky ventilátoru je možné ovládat pomocí regulátoru FR22/30. Bez použití regulátoru poběží ventilátor na plný výkon. V modelech WX9 a WX12 lze interním otočným přepínačem nastavit směr proudění - sání (přívod), výtlak (odvod) nebo regulátor (směr proudění určuje regulátor).

Ventilátory jsou určené pro 1fázové napětí 220 - 240 V/50 Hz. Motory jsou zcela uzavřené, bezúdržbové se samomaznými ložisky. Jednoduchý servis a údržba díky snadno odnímatelnému čelnímu panelu s bezpečnostní ochrannou mřížkou. Odnětím čelního panelu se odpojí elektrické napájení motoru ventilátoru.

Ventilátory jsou schválené zkušebnou BEAB. Montáž pouze ve svislé poloze.

 

Možnosti ovládání: Standardní modely a modely s časovým doběhem je možné ovládat vzdáleným vypínačem (není součástí dodávky)

 

Vlastnosti

Hmotnost 2,9 kg
Max. vzduchový výkon 246 m³/h
Příkon 34 W
Napětí 220 - 240 V
Frekvence 50 Hz
Hladina akust. tlaku v 3m 39 dB(A)
Třída krytí, motor IPX4
Časový doběh Ano
Čidlo vlhkosti Ne
Tahový spínač Ne
Zpětná klapka Ano
Fáze 1 ~
Materiál Plast
Třída krytí IPX 4

Ke stažení

Platební možnosti:
Platební možnosti