- Automatické zapnutí ventilátoru při překročení nastavené hodnoty relativní vlhkosti
- Automatické vypnutí ventilátoru při poklesu relativní vlhkosti pod nastavenou úroveň
- Zapnutí a vypnutí táhlem (šňůrkou)
- LED kontrolka chodu ventilátoru
- Povrchová nebo zapuštěná montáž
Vhodný pro ventilátory: DX100, DX180 Premier, DX200 Premier, DX400 Premier, CMF, GX6, GX9, GX12, WX6, WX9, WX12
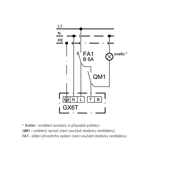
Ventilátor Xpelair GX 6 T
- 1-rychlostní (266 m3/h) axiální ventilátor
- časový doběh (2 - 20 min.)
- ovládaný vzdáleným spínačem ON/OFF - po vypnutí dobíhá v režimu pevného čas. doběhu (není součástí dodávky)
- elektricky ovládaná klapka
- venkovní mřížka + uchytávací spony (součást dodávky ventilátoru)
Nástěnné vysokovýkonné axiální ventilátory řady GX jsou vhodné hlavně pro odvod vzduchu z provozních a užitkových místností. Své uplatnění najdou i ve větších kuchyních, kancelářích, restauracích, dílnách nebo na veřejných toaletách. Ventilátory jsou primárně určené pro přímý odvod vzduchu přes zeď nebo okno do venkovního prostředí bez použití potrubí.
Všechny typy mají lesklý, dekorativní, bílý povrch. Ventilátor se skládá ze tří částí, což umožňuje jednoduchou montáž na stěnu, případně je možné instalovat ventilátor do jednoduchých skleněných výplní (GX6 a GX9 s max. tloušťkou skla 25 mm). Všechny typy jsou vybavené elektricky ovládanou klapkou. Bezhlučné otevírání a zavírání klapky je zajištěno na principu tepelné roztažnosti (bimetal). V případě požadavku na permanentní nebo nenucené větrání je možné klapku vyblokovat odpojením ovládání.
Modely GX6HT2, GX9 a GX12 sú dodávané s dvojrýchlostnými motormi, ktoré sú v prípade GX9 a GX12 navyše reverzné, čím umožňujú ich použitie pre prívod alebo odvod vzduchu bez zmeny montáže. V modeloch GX9 a GX12 je možné interným otočným prepínačom nastaviť smer prúdenia - sanie (prívod), výtlak (odvod) alebo regulátor (smer prúdenia určuje regulátor).
Modely GX6HT2, GX9 a GX12 jsou dodávané s dvourychlostními motory, které jsou v případě GX9 a GX12 navíc reverzní, čímž umožňují jejich použití pro přívod nebo odvod vzduchu bez změny montáže. V modelech GX9 a GX12 lze interním otočným přepínačem nastavit směr proudění - sání (přívod), výtlak (odvod) nebo regulátor (směr proudění určuje regulátor).
Ventilátory jsou určené pro 1fázové napětí 220 - 240 V/50 Hz. Motory jsou zcela uzavřené, bezúdržbové se samomaznými ložisky. Jednoduchý servis a údržba díky snadno odnímatelnému čelnímu panelu s bezpečnostní ochrannou mřížkou. Odnětím čelního panelu se odpojí elektrické napájení motoru ventilátoru.
Ventilátory jsou schválené zkušebnou BEAB.
Možnosti ovládání
Standardní modely a modely s časovým doběhem je možné ovládat vzdáleným vypínačem (není součástí dodávky).
Modely GX6HT a GX6HT2 se ovládají dle požadavku buď automaticky prostřednictvím integrovaného čidla vlhkosti nebo vzdáleným spínačem (není součástí dodávky).
Vlastnosti
| Hmotnost | 1,9 kg | |
| Max. vzduchový výkon | 266 m³/h | |
| Příkon | 30 W | |
| Napětí | 220-240 V | |
| Frekvence | 50 Hz | |
| Hladina akust. tlaku v 3m | 37 dB(A) | |
| Třída krytí, motor | IPX4 | |
| Časový doběh | Ano | |
| Čidlo vlhkosti | Ne | |
| Tahový spínač | Ne | |
| Zpětná klapka | Ano | |
| Fáze | 1 ~ | |
| Materiál | Plast | |
| Třída krytí | IPX 4 |
Ke stažení
-
- Vyhlášení o schodě GX6_WX6_SK_2010 ( 124.10 KB) Stáhnout