Samočinná přetlaková žaluzie pro vertikální montáž na vnější stěnu. Má profilované listy a pracuje velmi dobře i při nízkých rychlostech vzduchu. Maximální rychlost vzduchu je 12 m/s. Přetlaková žaluzie je zhotovena z nárazuvzdorného nylonového materiálu odolného proti povětrnostním vlivům a proti ultrafialovému záření. Přetlakové žaluzie se velmi snadno montují, šrouby a hmoždinky jsou přiloženy.
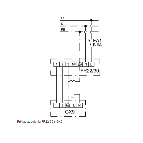
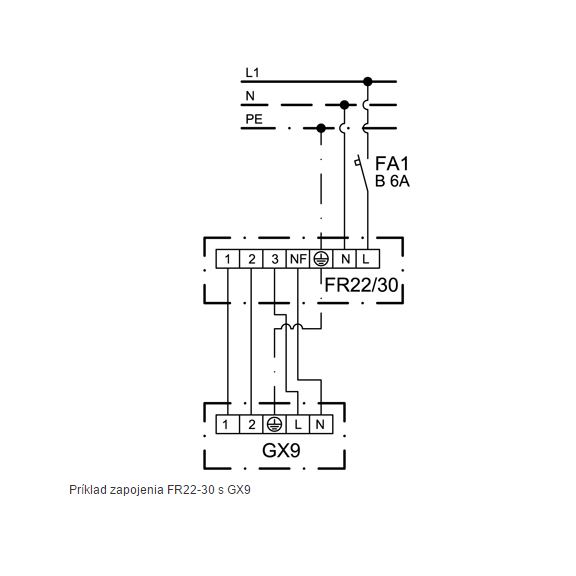
Xpelair FR 22/30 regulátor
Výrobce: Applied Energy
Vlastnosti
| Rozměry | 86 x 210 x 41 (VxŠxH) mm | |
| Napětí | 220 - 240 V | |
| Frekvence | 50 Hz | |
| Proud | 0,4 A | |
| Max. teplota okolí | do 40 °C |
Může se vám líbit
v košíku
v košíku
v košíku
v košíku
v košíku
v košíku
v košíku
v košíku
v košíku
v košíku
v košíku
v košíku