RD 125 instabox je revizní díl určený ke spojování spiro potrubí, tvarovek a hadic. Je možné ho použít též k jednoduššímu servisování zpětné klapky RSKW.
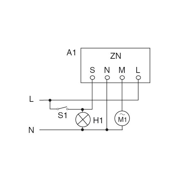
ZN 708 časové relé
Výrobce: Soler & Palau
ZN 708 je zařízení, které je určené pro zpoždění vypnutí axiálních a radiálních ventilátorů. Doba časového doběhu je pevně stanovena na cca 7 min. (± 1min). Spínač se ovládá vypínačem osvětlení místnosti nebo samostatným tlačítkem.
Technické parametry:
• pevně nastavený čas
• je vestavěný v plastovém pouzdře, které lze umístit pod vypínač
• interval doběhu typ 708 - 7 ± 1 minuta (vhodný do WC)
• interval doběhu typ 715 - 15 ± 1 minuta (vhodný do koupelny)
Vlastnosti
| Napětí | 230/50 V/Hz | |
| Rozměry | 40 x 20 x 13 (VxŠxH) mm | |
| Proud | 0,8 A | |
| Třída krytí, motor | IP20 | |
| Max. teplota okolí | 0-50 °C |
Ke stažení
-
- ZN 708 - Návod na obsluhu ( 268.88 KB) Stáhnout
Může se vám líbit
v košíku
v košíku
v košíku
v košíku
v košíku
v košíku
v košíku
v košíku
v košíku
v košíku
v košíku
v košíku